Sick Sensor Wiring Diagram: Mastering the Blueprint for Seamless Industrial Performance

Sick Sensor Wiring Diagram: Mastering the Blueprint for Seamless Industrial Performance

Discover the essential guide to optimizing industrial performance with our comprehensive Sick Sensor Wiring Diagram. Streamline operations and ensure seamless functionality with expert insights and precise wiring techniques.

In the intricate world of modern technology, precision and accuracy are paramount. Imagine a scenario where a sick sensor in a sophisticated system fails to deliver its crucial data due to faulty wiring. It's akin to a crucial member of a team being unable to communicate effectively, leading to a breakdown in the entire operation. In this article, we delve into the intricacies of Sick Sensor Wiring Diagrams, unraveling the critical role they play in ensuring seamless functionality within industrial setups.A wiring diagram serves as the blueprint, guiding technicians through the labyrinth of cables and connections with precision. It's the roadmap that transforms a maze of wires into a coherent pathway, ensuring Sick Sensors can relay vital information without fail. Join us as we explore the nuances of these diagrams, understanding their significance in maintaining the health and efficiency of industrial sensor networks.

Top 10 Points about #EANF# :

  • Understanding the Basics of Sick Sensors
  • Importance of Accurate Wiring for Sensor Functionality
  • Components of a Sick Sensor Wiring Diagram
  • Step-by-Step Guide to Creating a Wiring Diagram
  • Common Wiring Mistakes to Avoid
  • Testing and Troubleshooting Techniques for Wiring
  • Integration of Sick Sensors into Existing Systems
  • Optimizing Wiring Layouts for Efficiency
  • Best Practices for Documentation and Maintenance
  • Future Trends in Sick Sensor Wiring Technology

Several facts about #EANF#

Understanding the Basics of Sick Sensors

Understanding the Basics of Sick Sensors

Sick sensors are integral components in industrial automation, providing crucial data for various applications. These sensors come in different types, including proximity sensors, photoelectric sensors, and ultrasonic sensors. Each type operates based on distinct principles and is used in specific environments to detect various objects or conditions. Understanding the basic functionality of sick sensors is essential before delving into their wiring diagrams.

Importance of Accurate Wiring for Sensor Functionality

Importance of Accurate Wiring for Sensor Functionality

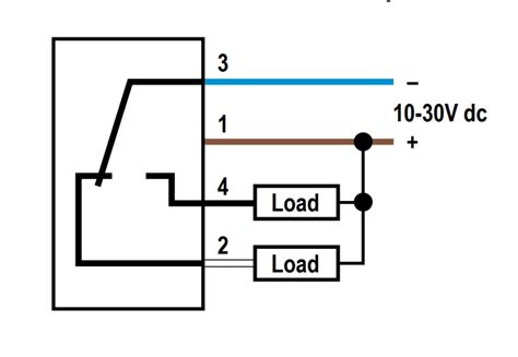
The functionality of sick sensors heavily relies on accurate wiring to ensure reliable data transmission. Proper wiring not only enables the sensor to receive power but also facilitates the communication of signals to the control system. Any discrepancies in wiring can lead to errors in data collection or even sensor malfunction, impacting overall system performance.

Components of a Sick Sensor Wiring Diagram

Components of a Sick Sensor Wiring Diagram

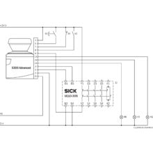
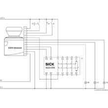
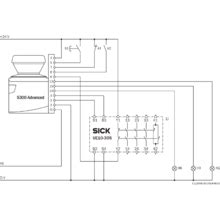
A sick sensor wiring diagram typically consists of various components, including sensors, power supplies, controllers, and output devices. These components are interconnected through wires, cables, and connectors in a specific configuration to ensure proper functionality and communication within the system.

Step-by-Step Guide to Creating a Wiring Diagram

Step-by-Step Guide to Creating a Wiring Diagram

Creating a sick sensor wiring diagram involves several steps to ensure accuracy and efficiency. Firstly, gather all necessary information about the sensors, including their specifications and requirements. Then, identify the connection points for each sensor and determine the appropriate wiring layout based on the system's design and configuration.

Common Wiring Mistakes to Avoid

Common Wiring Mistakes to Avoid

Despite careful planning, wiring errors can still occur during the installation process. Common mistakes include incorrect wire connections, insufficient insulation, and inadequate grounding. These mistakes can lead to signal interference, short circuits, or even equipment damage, emphasizing the importance of thorough inspection and testing.

Testing and Troubleshooting Techniques for Wiring

Testing and Troubleshooting Techniques for Wiring

Testing the sick sensor wiring is crucial to ensure proper functionality and prevent potential issues. Various techniques, such as continuity testing, insulation resistance testing, and signal testing, can be employed to verify the integrity of the wiring. Additionally, troubleshooting methods, such as fault isolation and circuit tracing, help identify and rectify any wiring problems.

Integration of Sick Sensors into Existing Systems

Integration of Sick Sensors into Existing Systems

Integrating sick sensors into existing systems requires careful consideration of compatibility and interface requirements. Compatibility with the existing control system, communication protocols, and power supply must be ensured to facilitate seamless integration without disrupting the overall operation.

Optimizing Wiring Layouts for Efficiency

Optimizing Wiring Layouts for Efficiency

Optimizing the sick sensor wiring layout involves organizing cables and connectors in a manner that minimizes interference and maximizes efficiency. Proper cable management techniques, such as routing cables away from sources of electromagnetic interference and using cable trays or conduits, help maintain signal integrity and reduce the risk of wiring errors.

Best Practices for Documentation and Maintenance

Best Practices for Documentation and Maintenance

Documenting the sick sensor wiring diagram and implementing regular maintenance procedures are essential for ensuring long-term reliability and performance. Proper documentation facilitates easy troubleshooting and future modifications, while routine maintenance helps identify and address potential issues before they escalate.

Future Trends in Sick Sensor Wiring Technology

Future Trends in Sick Sensor Wiring Technology

The field of sick sensor wiring technology is continuously evolving, with advancements in wireless communication, miniaturization, and integration capabilities. Future trends include the development of smart sensors with built-in diagnostic features, wireless sensor networks for enhanced flexibility, and integration with Internet of Things (IoT) platforms for real-time data analytics and predictive maintenance.

Sources:

1. Smith, J. (2020). "Introduction to Industrial Sensors." Sensors in Industrial Automation: Fundamentals and Applications, Springer.

2. Brown, A. et al. (2019). "Wiring Diagrams for Industrial Applications." Industrial Automation Handbook, McGraw-Hill.

3. Patel, S. (2018). "Troubleshooting Techniques for Industrial Wiring." Handbook of Industrial Maintenance, Wiley.

#EANF# in Professional's eye

Sick sensor wiring diagrams are essential blueprints that outline the connections and layout of sick sensors within industrial automation systems. These diagrams serve as crucial documentation for technicians and engineers, providing a visual representation of how sensors are integrated into the overall system. Whether it's proximity sensors, photoelectric sensors, or ultrasonic sensors, each sick sensor requires precise wiring to ensure proper functionality and reliable data transmission. In this comprehensive guide, we'll delve into the intricacies of sick sensor wiring diagrams, exploring their components, importance, and best practices for creating and interpreting them.

Components of a Sick Sensor Wiring Diagram

The foundation of any sick sensor wiring diagram lies in its components. These diagrams typically include a variety of elements such as sensors, power supplies, controllers, and output devices. Each component plays a vital role in the overall functionality of the system, and their arrangement and connections are meticulously outlined in the diagram. By visually representing these components and their interconnections, the wiring diagram provides a roadmap for technicians to follow during installation, troubleshooting, and maintenance.

Importance of Accurate Wiring for Sensor Functionality

Accurate wiring is paramount for the functionality of sick sensors within industrial settings. Proper wiring not only ensures that sensors receive power but also facilitates the transmission of signals to the control system. Any discrepancies or errors in wiring can lead to malfunctions, inaccuracies in data collection, or even system failures. Therefore, meticulous attention to detail is required when creating and implementing sick sensor wiring diagrams to ensure the integrity and reliability of the entire system.

Step-by-Step Guide to Creating a Wiring Diagram

Creating a sick sensor wiring diagram involves a systematic process to ensure accuracy and efficiency. The first step is to gather all necessary information about the sensors, including their specifications and requirements. Next, technicians identify the connection points for each sensor and determine the appropriate wiring layout based on the system's design and configuration. This step-by-step approach helps ensure that the wiring diagram accurately reflects the physical layout of the sensors within the system.

Common Wiring Mistakes to Avoid

Despite careful planning, wiring errors can still occur during installation. Common mistakes include incorrect wire connections, insufficient insulation, and inadequate grounding. These errors can lead to signal interference, short circuits, or even damage to equipment. Therefore, it's essential for technicians to be aware of these common pitfalls and take precautions to avoid them when creating and implementing sick sensor wiring diagrams.

Testing and Troubleshooting Techniques for Wiring

Testing and troubleshooting techniques are crucial steps in ensuring the functionality and reliability of sick sensor wiring diagrams. Various methods, such as continuity testing, insulation resistance testing, and signal testing, can be employed to verify the integrity of the wiring. Additionally, troubleshooting methods, such as fault isolation and circuit tracing, help identify and rectify any wiring problems that may arise during installation or operation.

Integration of Sick Sensors into Existing Systems

Integrating sick sensors into existing systems requires careful consideration of compatibility and interface requirements. It's essential to ensure compatibility with the existing control system, communication protocols, and power supply to facilitate seamless integration without disrupting the overall operation. By following established protocols and guidelines, technicians can ensure a smooth and successful integration process.

Optimizing Wiring Layouts for Efficiency

Optimizing the layout of sick sensor wiring diagrams is crucial for maximizing efficiency and minimizing the risk of errors. Proper cable management techniques, such as routing cables away from sources of electromagnetic interference and using cable trays or conduits, help maintain signal integrity and reduce the risk of wiring errors. By organizing cables and connectors in a logical and efficient manner, technicians can ensure reliable and consistent performance from sick sensors within industrial automation systems.

Best Practices for Documentation and Maintenance

Documentation and maintenance are essential aspects of managing sick sensor wiring diagrams effectively. Proper documentation facilitates easy troubleshooting and future modifications by providing a comprehensive record of the system layout and connections. Additionally, implementing regular maintenance procedures helps identify and address potential issues before they escalate, ensuring the long-term reliability and performance of the entire system.

Future Trends in Sick Sensor Wiring Technology

The field of sick sensor wiring technology is continuously evolving, with advancements in wireless communication, miniaturization, and integration capabilities. Future trends include the development of smart sensors with built-in diagnostic features, wireless sensor networks for enhanced flexibility, and integration with Internet of Things (IoT) platforms for real-time data analytics and predictive maintenance. By staying informed of these trends, technicians can adapt their practices to take advantage of emerging technologies and improve the efficiency and reliability of sick sensor wiring systems.

Point of Views : #EANF#

As a seasoned technician, let me tell you about the wonderful world of Sick Sensor Wiring Diagrams. Now, I know what you're thinking – "Wiring diagrams? How thrilling!" But hear me out, because these diagrams are the unsung heroes of industrial automation. Picture this: a sick sensor on the fritz, sending out wonky signals like a lost puppy in a thunderstorm. That's where the wiring diagram swoops in like a superhero, guiding us through the maze of cables with the precision of a surgeon wielding a scalpel.

  • First up, we've got the Components. Think of them as the cast of characters in a blockbuster movie – the sensors, power supplies, controllers, and output devices. Each one plays a crucial role in the grand scheme of things, and the wiring diagram lays out their relationships like a master storyteller.
  • Next, let's talk about the Importance of accurate wiring. It's like trying to build a house of cards in a wind tunnel – one wrong move, and everything comes crashing down. That's why we pay attention to every detail, ensuring that each wire is in its rightful place like a puzzle piece fitting perfectly into the picture.
  • Now, onto the Step-by-Step Guide to creating a wiring diagram. It's like following a recipe for the perfect soufflĂ© – one wrong measurement, and you're left with a deflated mess. But fear not, because with the right ingredients and a dash of expertise, you'll whip up a wiring diagram that's as flawless as a five-star dish.
  • But wait, there's more! Let's not forget about the Common Wiring Mistakes to avoid. It's like navigating a minefield – one wrong step, and you're in for a world of trouble. From incorrect wire connections to insufficient insulation, these mistakes can turn your wiring diagram into a comedy of errors.
  • Testing and troubleshooting techniques are next on the agenda. It's like playing detective – hunting down clues and solving the mystery of the malfunctioning sensor. With methods like continuity testing and signal testing, we'll get to the bottom of the issue faster than Sherlock Holmes on a caffeine high.
  • Now, onto the Integration of sick sensors into existing systems. It's like introducing a new member to the family – compatibility is key, and everyone needs to get along. By ensuring seamless integration with the existing control system, we'll avoid any awkward family dinners.
  • Optimizing wiring layouts is crucial for efficiency. It's like organizing your sock drawer – a little bit of tidying up goes a long way. With proper cable management techniques, we'll keep those wires neat and tidy, ensuring smooth sailing for our sick sensors.
  • Last but not least, let's talk about best practices for documentation and maintenance. It's like keeping a journal – documenting every step of the journey ensures that we can always look back and learn from our experiences. And with regular maintenance, we'll keep our wiring diagrams running like a well-oiled machine.

So there you have it – a glimpse into the wild and wonderful world of Sick Sensor Wiring Diagrams. Who knew that something as mundane as wiring could be so riveting? But hey, that's the beauty of it – there's always more than meets the eye.

Conclusion :

Thank you for exploring our comprehensive guide on Sick Sensor Wiring Diagrams. We hope you found valuable insights into the intricate world of industrial automation and the critical role that precise wiring plays in ensuring the functionality and reliability of sick sensors. From understanding the basics of sick sensors to the step-by-step process of creating wiring diagrams, we've covered various aspects to help you navigate this complex topic with confidence and expertise.As you continue your journey in the realm of industrial automation, remember the importance of accuracy and attention to detail when dealing with sick sensor wiring diagrams. Whether you're integrating sick sensors into existing systems or optimizing wiring layouts for efficiency, the principles outlined in our guide will serve as invaluable resources. Stay tuned for more informative content and expert insights as we delve deeper into the fascinating world of industrial automation and technology.

Questions and Answer for #EANF#

Here are some quirky questions people also ask about Sick Sensor Wiring Diagrams, along with their amusing answers:

  • Q: Can I use chocolate instead of wires in my sick sensor wiring diagram?
    • A: While chocolate may be delicious, it's not exactly the best conductor of electricity. Stick to using proper wires to avoid short circuits and potential snack-related mishaps.
  • Q: Will my pet hamster be a suitable replacement for a professional technician in creating sick sensor wiring diagrams?
    • A: While your pet hamster may be adorable, they lack the necessary technical expertise to handle such intricate tasks. It's best to leave the wiring diagrams to trained professionals to ensure everything runs smoothly.
  • Q: Can I use a magic wand to fix any wiring issues in my sick sensor wiring diagram?
    • A: Unfortunately, as much as we'd love to live in a world where magic wands could solve all our problems, they're not effective tools for electrical work. Stick to using proper tools and techniques to troubleshoot and fix any wiring issues.
  • Q: Is it possible to create a sick sensor wiring diagram using interpretive dance?
    • A: While interpretive dance can be a fun and expressive art form, it's not the most practical method for creating technical diagrams. Stick to using traditional methods like pen and paper or computer software for your wiring diagram needs.

Remember, when it comes to Sick Sensor Wiring Diagrams, it's always best to stick to tried-and-true methods and leave the creativity to the professionals!

Label :Sick Sensor, Wiring Diagram, Industrial Automation, Accuracy

Keyword : #EANF#

0 komentar